관련상품
등록된 관련상품이 없습니다.
상품 정보
상품 상세설명
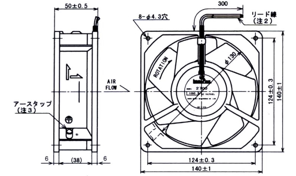
모델 (Model) : U2750M-TP
‣ 사이즈 : □140*140*50(mm) *저희 쿨링팬은 정품만 취급합니다* (모조품이나 재생품 주의하세요)
전압 (VAC) |
주파수 (Hz) |
정격전류 (A) |
소비전력 (W) |
회전수 (RPM) |
풍량 (CFM) |
정압 (mmH₂O) |
소음 (dBA) |
무게 (g) |
---|---|---|---|---|---|---|---|---|
AC220V | 50/60 | 0.18 | 37 | 3000 | 204.79 | 12 | 54 | 1200 |
‣ 앞뒤사진
|
|
‣ 도면

‣ 전원부분: 터미널 타입
|
|
사용후기
상품문의
배송정보

교환/반품
